○大崎地域広域行政事務組合工事等検査執行要領
平成20年6月1日
訓令甲第19号
(趣旨)
第1条 この要領は,大崎地域広域行政事務組合工事等検査規程(平成20年大崎地域広域行政事務組合訓令甲第18号。以下「規程」という。)により,検査員が検査を執行するため必要な事項を定めるものとする。
(平22訓令甲8・一部改正)
(検査員の任務)
第2条 検査員は,検査の執行に当たり自己の判断と責任において,合格,不合格及び出来高の決定をするものとする。
2 検査員は,前項の決定をするに当たり,写真その他の資料を調査し,工事関係者の意見を聴くものとする。
3 検査員は,検査の結果,不合格と決定し,手直しを命ずる場合は,その工法,範囲,完了期限等を工事等検査指示書に記載して行うものとする。
5 検査員は,検査復命書の作成に当たっては,検査の結果に基づき,監督員及び受注者等から必要な事項に関して説明を求め,正確を期すものとし,特に工事成績の評定については慎重公平に行うものとする。
(平26訓令甲7・一部改正)
(完成検査の方法)
第3条 工事並びに測量,設計及び調査等(建設関連)の委託業務(以下「工事等」という。)の完成検査は,工事請負契約書,業務委託契約書,設計図書その他の関係書類(以下「契約図書」という。)に基づき,工事等の実施状況に関する各種の記録その他の関係書類と対比して出来高,出来栄え及び施工が適切になされているか否かの検査を行うものとする。
2 検査員は,必要に応じて測量,試験等の方法により施工の適否を調査し,検査上の資料とするものとする。
3 埋設,水中築造等により明視が不能となる箇所で,その適否が判定し難いものについては,監督員及び工事関係者から施工の実情を聴き,施工状況写真その他の施工記録等を参考として判定するものとする。ただし,可能な方法によってできるだけ直接確認をするように努めるものとする。
4 契約図書に明記されている指定部分の検査は,完成検査に準じて行うものとする。
(1) 掘削工事 適切な工法により実施したかを施工記録により確認するものとする。
(2) 切り盛り土工事 土質,土量及び地盤耐力等を施工過程における記録を参考に,仕上がりの良否を判定するものとする。
(3) コンクリート構造物 試験資料等を参考とし,必要と認める部分については表面の強度検査,破壊検査等により適否を判定するものとする。
(4) 道路等舗装工事 適切に施工されたかを確認するため,コア採取等の方法により検査するとともに,必要に応じ,耐力試験を行うものとする。
(5) 法面保護工事 適切な勾配,厚さ,品質,配合等で施工されたかを検査するものとする。
(6) 石積,石張,コンクリートブロック等の工事 施工状況写真,関係資料等によるほか,必要がある部分については掘削,注水,抜取り等を行い,適否を判定するものとする。
(7) 2次製品使用の工事 品質,規格等の確認を行い,組立て及び据付けの状況を検査するものとする。
(8) 鉄鋼工事 製作過程における検査を参考とし,必要に応じて総合的な構造耐力上の性能確認を行い,組立て及び据付けの状況を検査するものとする。
(9) トンネル工事(下水道工事のシールド工事を含む。) 施工状況写真,関係資料等により判定するほか,必要に応じてコアを採取し,適否について検査するものとする。
(10) 植栽工事 使用材料の品質,規格等の確認を行い,樹勢の確保並びに適切な方法による根入れ,支柱及び養生を行ったかを検査するものとする。
(11) 建築及び工作物工事 構造耐力上の性能確認,施工上の取合い,雨じまい,納まり等の適否,使用目的に添った機能及び仕上がりの良否について検査するものとする。
(12) 機械設備工事 製作過程における検査を参考とし,実負荷を接続して試運転を行い,性能及び作動の適否を確認し,組立て及び据付けの状況を総合的に検査するとともに,関係法令等に基づく規格及び基準に適合しているかを確認するものとする。
(13) 電気,通信及び情報機器の設備工事 機能及び作動状態並びに据付け状況の適否を判定するとともに,関係法令等に基づく規格及び基準により必要な測定,試験及び操作を行い,検査するものとする。
(平22訓令甲8・一部改正)
(出来高検査の方法)
第4条 契約解除,部分支払又は引渡しの部分の検査は,すべて完成検査に準じて行うものとする。
2 工事被災による契約解除,打切り又は精算のための出来高検査は,受注者の説明を参考とし,監督員の説明,写真資料その他必要な検査に基づき慎重に判定し,出来高を決定するものとする。
(平26訓令甲7・一部改正)
(中間検査の方法)
第5条 工事等の中間検査は,現地において規程第3条第3号に規定する事項のほか,交通対策,防災措置等の現場管理状況,工事材料及び工事用機械器具の手配及び使用状況,労務者の出役状況,測量杭,丁張等の確保状況,工事写真の整備状況,仮設工事の適否並びに設計変更を要する点の有無につき検査し,必要な指導をするものとする。
2 コンクリート,アスファルト等混合施工するものは,その材料の計量及び練りまぜ方法,混合物の品質,運搬,打込み温度,寸法,養生等が契約図書に適合しているか否かを検査し,必要に応じテストピース,コア等による強度,軟度,密度等の試験を行うものとする。
3 構造物,工作物等は,関係法令等に基づく規格及び基準により必要な試験及び測定並びに材料の検査を行うものとする。
4 機械,機器,2次製品等の工場検査は,関係法令等に基づく規格及び基準により材料検査及び耐力,性能試験等を行い,必要に応じて試運転を実施し,効率,安全性及び性能を判断するものとする。
5 電気,通信及び情報機器の工場検査は,関係法令等に基づく規格及び基準により必要な試験及び測定を行うものとする。
6 製品,組立て,原寸等の工場検査は,必要な測定を行うほか,材料の品質管理,製作技術及び管理状況を確認し,必要に応じて性能試験を行うものとする。
7 中間検査においても,施工部分が契約図書と不一致又は不適合であることが確認された場合は,その部分の手直しを命ずることができる。
(中間検査の時期)
第6条 工事等の中間検査は,別表第1に定める時期に行うものとする。
2 検査員は,規程第10条第2項の規定により受注者に対し工事の完成検査に合格したことを通知する場合は,工事成績調書の評定を記すものとする。
3 検査員は,月初めに当該月の前月の分の工事成績調書を取りまとめ,契約担当課を経て工事等担当課長に送付するものとする。
(平26訓令甲7・一部改正)
附則
この訓令は,平成20年6月1日から施行する。
附則(平成22年3月29日訓令甲第8号)
この訓令は,平成22年4月1日から施行する。
附則(平成24年2月28日訓令甲第1号)
この訓令は,平成24年2月28日から施行する。
附則(平成26年10月10日訓令甲第7号)
この訓令は,平成26年10月10日から施行する。
附則(令和3年3月23日訓令甲第4号)
この訓令は,令和3年4月1日から施行する。
別表第1(第6条関係)
工事の区分 | 中間検査の時期 | |
土木工事 | 基礎工事 | 1 土留め工法の施工による掘削又は岩盤等の掘削が完了したとき。 2 盛土及び埋め戻し工における締固を施工中のとき。 3 杭基礎(鋼管杭,コンクリート杭,鋼矢板又は鋼管矢板等)及び控工(腹起し,タイロット材又は控工等)が完了したとき。 4 地盤改良工事が完了した後に改良地盤工に連続して施工する場合には,当該工事の施工前のとき。 |
橋りょう工事 | 1 橋りょうの下部工が施工中のとき。 2 床版工については,配筋が完了したとき。 3 コンクリート橋(主としてPC橋)について,緊張時に達したとき。 | |
鉄鋼工事 | 鋼橋,水門扉,可動堰又は除塵機等の製作工場における製作又は仮組みの完了したとき。 | |
舗装工事 | 上層路盤工の完了又は施工中のとき。 | |
吹付け工事 | ワイヤーラス又はメッシュ張りが完了又は施工中のとき。 | |
各種管工事 | 各種管の据付け(小規模のものは除く。)を施工中のとき。 | |
山腹工事 | 山腹の法切り工を施工する前の土留め工その他の構造物及び暗渠排水工等が完了したとき。 | |
トンネル工事(下水道工事におけるシールド工事を含む。) | 覆工コンクリートの施工前のとき。 | |
建築・設備工事 | 建築工事 | 1 鉄骨造及び鉄骨鉄筋コンクリート造の原寸図作成が完了したとき。 2 木造,鉄骨造及び鉄筋コンクリート造の建方が完了したとき。 3 鉄筋コンクリート造で,いずれかの階の配筋が完了したとき。 |
設備工事 | 1 関係法令等に基づく規格,基準等により必要な試験,試運転,性能判定が製作工場においてでなければできないとき。 2 完成時に点検ができない隠ぺい工事で,確認に適切なとき。 | |
その他 | 管理者又は検査員が中間検査を必要と認めるとき。 | |
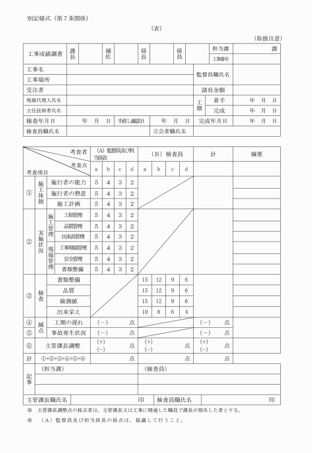
別表第2(第7条関係)
(平26訓令甲7・令3訓令甲4・一部改正)
工事成績調書考査基準
項目 | 考査基準 | 考査内容 | a 優れている | b やや優れている | c 普通である | d 劣っている | 考査 | |
①施工体制 | 施工者の能力 | 現場代理人・主任技術者の技術力及び管理能力 | 設計図書を十分理解し,専門的な知識が豊富であり優秀であった。 | 設計図書に対する知識は十分であり,理解度もよかった。 | 設計図書に対する知識は一応満足しており,理解力も普通であった。 | 設計図書に対する知識が不足しており,理解力も不足していた。 | ||
施工者の熱意 | 仕事に対する積極性,創意工夫,監督員との協調性及び誠実性 | 積極的に創意工夫をするとともに,監督員との協調性及び誠実性も十分であった。 | 監督員との連絡も良好であり,創意工夫等もみられた。 | 積極性,創意工夫,協調性,誠実性いずれも普通であった。 | 積極性,協調性,誠実性に欠けており,創意工夫も足りなかった。 | |||
施工計画 | 施工計画の内容 | 設計図書の内容を十分理解した計画であった。 | 設計図書の内容をよく理解した計画であった。 | 設計図書の内容を一応理解した計画であった。 | 設計図書の内容把握が不足した計画であった。 | |||
②実施状況 | 施工管理 | 工程管理 | 施工計画に対する実施状況 | 計画工程どおり実施し,変更,追加工事に対しても適切に対処した。 | 計画工程に基づき,ほぼ良好に実施した。 | 計画工程に従って,辛うじて完成した。 | 工程管理が悪く,また関心も不足していた。 | |
品質管理 | 品質の規格値及び品質管理基準状況 | 設計図書に基づく品質の規格値及び品質管理基準値以上の値を設定して管理し,優秀であった。 | 設計図書に基づく品質の規格値及び品質管理基準値は,値以内でバラツキも少なかった。 | 品質の規格値,品質管理基準とも辛うじて規格値内であった。 | 品質の規格値,品質管理基準がはずれるものがあった。 | |||
出来形管理 | 出来形の規格値及び施工管理基準状況 | 出来形の規格値及び施工管理基準により管理し,優秀であった。 | 出来形の規格値及び施工管理基準により管理し,良好であった。 | 整理,内容ともに普通であった。 | 整理,内容ともに悪かった。 | |||
現場管理 | 工事現場管理 | 現場管理,仮設管理,関連工事との調整,発生材処理等の状況 | 現場管理,仮設管理,関連工事との調整,発生材処理等が優秀であった。 | 現場管理,仮設管理,関連工事との調整,発生材処理等が良好であった。 | 現場管理,仮設管理,関連工事との調整,発生材処理等が普通であった。 | 現場管理,仮設管理,関連工事との調整,発生材処理等が悪かった。 | ||
安全管理 | 交通安全管理,安全施設の整備,安全教育の実施等の状況 | 交通渋滞もなく,また作業員への安全教育等が十分行われ優秀であった。 | 交通渋滞もなく,また作業員への安全教育等が十分行われ良好であった。 | 交通渋滞が一部あったが,安全教育も普通であった。 | 交通渋滞の苦情があったり,安全教育も劣っていた。 | |||
書類整備 | 品質証明,試験成績その他工事途中で監督に必要な資料等の整備 | よく整備され,内容も優秀であった。 | よく整備され,内容も良好であった。 | 整備,内容とも普通であった。 | 整備,内容とも劣っていた。 | |||
③検査 | 書類整備 | 出来形管理図表,品質管理図表,工事写真等検査に必要な資料整備 | 同上 | 同上 | 同上 | 同上 | ||
品質 | 検査,試験結果及び施工中の品質管理データの状況 | 所要の強度を有し,品質も優秀であった。 | 所要の強度を有し,品質も良好であった。 | 所要の強度を有しているが,品質も普通であった。 | バラツキが多く,規格値をはずれる値もみられた。 | |||
検測値 | 工事の対象物の位置,延長,断面寸法等の出来形数値の状況 | 規格値を満足し,誤差もなく優秀であった。 | 規格値を満足し,誤差も良好であった。 | 規格値を満足し,誤差も普通であった。 | バラツキが多く,規格値を満足しない部分もあった。 | |||
出来栄え | 外観,仕上がり状況細部の施工状況 | 外観,仕上がりともに優秀であった。 | 外観,仕上がりともに良好であった。 | 外観,仕上がりともに普通であった。 | 外観,仕上がりともに劣っていた。 | |||
④ | 工事の進捗状況 | 工期内に完成した 0点 | 5パーセント未満の遅延 -4点 | 10パーセント未満の遅延 -6点 | 10パーセント以上の遅延 -10点 | |||
⑤ | 事故発生状況 | 事故無しに完成 0点 | 工事関係者に負傷者 -5点 | 工事関係者に死亡者 -10点 | 第三者への事故 -15点 | |||
④工事の進捗状況:工期は,工事日数とし,発注者側の責任による遅延日数及び検査後の手直しに要する日数は,対象としない。 受注者の責めに帰すべき理由により工期内に工事を完成することができない等の場合に減点する。 ⑤事故発生状況:受注者に起因する事故が発生した場合の減点基準 工事関係者に負傷者が発生した等の事故 -5点 工事関係者に死亡者が発生した等の重大事故 -10点 公衆に負傷者又は死亡者が発生した等の重大事故 -15点 | ||||||||
(平22訓令甲8・一部改正,平24訓令甲1・全改,平26訓令甲7・一部改正)

